-
邦普循環提取退役電池中可再利用的金屬、非金屬和其他高分子材料資源,
制(zhi)備能量密度高(gao)、循環壽命(ming)長、性(xing)價比高(gao)、加(jia)工性(xing)能好(hao)的電池材料產品。

正極材料
-
磷酸鐵鋰
-
鎳鈷錳酸鋰
-
鈷酸鋰
-
富鋰錳基
-
再生磷酸鐵鋰
-
二代磷酸鐵鋰
-
三代磷酸鐵鋰
-
再生磷酸鐵鋰
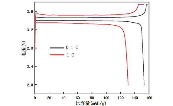
再生(sheng)(sheng)(sheng)磷酸鐵(tie)鋰(li)具(ju)(ju)備(bei)諸多(duo)優點,已成為當(dang)前(qian)熱門的鋰(li)電池正(zheng)極材料產品(pin)(pin)。 邦(bang)普循環采用高溫固相(xiang)法對廢棄磷酸鐵(tie)鋰(li)進行再生(sheng)(sheng)(sheng),生(sheng)(sheng)(sheng)產的再生(sheng)(sheng)(sheng)磷酸鐵(tie)鋰(li)產品(pin)(pin)具(ju)(ju)備(bei)高壓實(shi)(shi)、高容量(liang)、平(ping)臺穩定等特(te)點。產品(pin)(pin)能量(liang)密度(du)高、穩定性強、原料成本低,同時極大程度(du)響(xiang)應了(le)國家環境保護政策。回收(shou)再生(sheng)(sheng)(sheng)廢舊磷酸鐵(tie)鋰(li),減(jian)少電池污染對環境造(zao)成的危害(hai);減(jian)少粉末制備(bei)流程,實(shi)(shi)現(xian)資源節約的同時創(chuang)造(zao)更高經濟(ji)價值。
-
高壓實
-
高容量
-
平臺穩定
-
原料成本低
-
50000 x
-
≥2.35
壓實密度-3T (g/cm3)
-
<60.0
粉末電阻(zu)率 (Ω?cm)
-
0.6-1.6
Dv50 (μm)
-
>157
0.1C首圈充電克(ke)容量 (mAh/g)
-
>150
0.1C首圈(quan)放電克容量 (mAh/g)
-
>126
1C首圈放電克容量 (mAh/g)
技術圖表
-
充放電曲線圖
-
粒度分布圖
-
-
二代磷酸鐵鋰
磷(lin)酸鐵鋰是當前熱門的鋰電池(chi)正極材料產品(pin)。 邦普循環(huan)采用磷(lin)鐵合成磷(lin)酸鐵,并圍繞顆粒納(na)米化、碳包覆優(you)化等方向(xiang)進(jin)行創(chuang)新(xin)性(xing)研(yan)發與改造,生產的二代磷(lin)酸鐵鋰產品(pin)高壓實、高容量、平(ping)臺穩定(ding)。本產品(pin)具(ju)備(bei)克容量高、能量密度(du)高、安全性(xing)強、環(huan)境友(you)好、原料成本低廉在內的諸多優(you)點,在滿(man)足(zu)高續航里程(cheng)的同時還可(ke)兼(jian)顧成本控制需(xu)求。
-
克容量高
-
能量密度高
-
安全性強
-
環境友好
-
原料成本低
-
50000 x
-
20000 x
-
≥2.38
壓實密度-3T (g/cm3)
-
<60.0
粉末電阻率 (Ω?cm)
-
0.7~1.7
Dv50 (μm)
-
>160
0.1C首(shou)圈充電(dian)克容量 (mAh/g)
-
>156
0.1C首圈(quan)放電克(ke)容量(liang) (mAh/g)
-
>138
1C首圈放(fang)電克容量 (mAh/g)
技術圖表
-
充放電曲線圖
-
粒度圖
-
-
三代磷酸鐵鋰
磷酸(suan)鐵鋰是(shi)當前熱(re)門的鋰電池正極材(cai)料產(chan)品(pin)。 邦普循(xun)環采用濕法合成磷酸(suan)鐵,并進一步通過碳包覆、元素摻(chan)雜、顆粒尺寸優(you)化等方式合成三代磷酸(suan)鐵鋰。本(ben)產(chan)品(pin)具(ju)(ju)有(you)高(gao)(gao)壓實、高(gao)(gao)安全性、高(gao)(gao)穩(wen)定性的典(dian)型特(te)征,具(ju)(ju)備(bei)循(xun)環壽命長、安全性高(gao)(gao)、綠色(se)環保(bao)、原料來(lai)源廣泛且(qie)成本(ben)低廉在內(nei)的多(duo)重優(you)勢。
-
循環壽命長
-
安全性高
-
綠色環保
-
原料來源廣泛
-
50000 x
-
20000 x
-
10000 x
-
≥2.48
壓(ya)實密度-3T (g/cm3)
-
<60.0
粉末電阻率 (Ω?cm)
-
0.7~1.7
Dv50 (μm)
-
159.0~165.0
0.1C首圈充電克(ke)容量 (mAh/g)
-
155.0~161.0
0.1C首圈(quan)放電克(ke)容量 (mAh/g)
-
>128
1C首(shou)圈放電克容(rong)量 (mAh/g)
技術圖表
-
充放電容量
-
粒度圖
-
-
LL5503
-
LL5525
-
LL6007
-
LL6510
-
LL8203
-
LL8313
-
LL9203
-
LL9403
-
LL5503
LL5503應(ying)用(yong)于4.35V電(dian)(dian)壓(ya),是(shi)最早(zao)應(ying)用(yong)于車用(yong)動力(li)電(dian)(dian)池場景的(de)鋰離(li)子電(dian)(dian)池關鍵正極材(cai)料之一(yi)。LL5503循環(huan)壽命長、能量(liang)密度高、安全性強、高電(dian)(dian)壓(ya)、熱穩(wen)定性強、性價(jia)比高。是(shi)邦普(pu)循環(huan)在第一(yi)代低鈷(gu)材(cai)料基礎上(shang),進一(yi)步控(kong)制(zhi)鈷(gu)含(han)量(liang)開創的(de)第二代低鈷(gu)單晶(jing)材(cai)料產品,明顯降(jiang)低材(cai)料成本,并在全行業率先實現量(liang)產,成為“低鈷(gu)材(cai)料性價(jia)比之王(wang)”,現被廣泛(fan)應(ying)用(yong)于動力(li)交通領(ling)域。
-
循環壽命長
-
能量密度高
-
安全性強
-
高電壓
-
熱穩定性強
-
性價比高
-
10000 x
-
3.60-4.60
D50(μm)
-
0.50-0.78
BET(m2/g)
-
32.70-33.90
Ni(wt%)
-
6.80-8.00
Co(wt%)
-
17.90-19.10
Mn(wt%)
-
177.0-182.0
首次放電比容量(mAh/g)(2.8-4.35 V,0.1C)
技術圖表
-
充放電曲線圖
-
粒度分布圖
-
循環性能圖
-
-
LL5525
LL5525是在邦普(pu)極致低鈷(gu)第(di)三(san)代低鈷(gu)單晶(jing)LL5515材(cai)料(liao)基礎上的又一創新產品(pin),顛(dian)覆(fu)性(xing)解(jie)決(jue)了的低鈷(gu)體系(xi)下(xia)的DCR問題,較上一代材(cai)料(liao)DCR與(yu)循環(huan)性(xing)能均有明(ming)顯提升,可(ke)應(ying)用于(yu)4.35V/4.4V工作電(dian)壓下(xia)。該產品(pin)具(ju)備循環(huan)壽(shou)命長(chang)、高能量密(mi)度、高安全性(xing)、高電(dian)壓、熱穩定性(xing)強、高性(xing)價(jia)比環(huan)保等維度典型優勢。當(dang)前,該項產品(pin)已(yi)被(bei)廣泛應(ying)用于(yu)動力交通領域,是制作新能源汽車電(dian)池包的重(zhong)要原料(liao)。
-
循環壽命長
-
能量密度高
-
安全性強
-
高電壓
-
熱穩定性強
-
性價比高
-
10000 x
-
3.80-4.60
D50(μm)
-
0.68-0.92
BET(m2/g)
-
32.80-34.20
Ni(wt%)
-
3.35-4.05
Co(wt%)
-
21.00-22.50
Mn(wt%)
-
183.0-189.0
首次放(fang)電比容量(mAh/g)(2.8-4.5 V,0.1C)
技術圖表
-
充放電曲線圖
-
粒度分布圖
-
循環性能圖
-
-
LL6007
LL6007應用于(yu)(yu)4.4V電壓(ya),是(shi)在4.35V高電壓(ya)三(san)元(yuan)正極材料基礎(chu)上(shang)的進一步升級。邦普循(xun)環通過特殊摻(chan)雜(za)工藝(yi),成功實現了(le)高電壓(ya)下材料結構(gou)穩定(ding)。LL6007循(xun)環壽命長、能(neng)量密度高、安全性好、高電壓(ya)、熱穩定(ding)性強、性價比高,現已(yi)廣泛應用于(yu)(yu)動力交通領域,是(shi)制(zhi)作新(xin)能(neng)源汽(qi)車(che)電池的重要材料。
-
循環壽命長
-
能量密度高
-
安全性強
-
高電壓
-
熱穩定性強
-
性價比高
-
10000 x
-
3.50-4.50
D50(μm)
-
0.62-0.81
BET(m2/g)
-
35.00-38.40
Ni(wt%)
-
2.75-3.30
Co(wt%)
-
18.30-20.70
Mn(wt%)
-
193.5-196.5
首(shou)次(ci)放電(dian)比容量(liang)(mAh/g)(2.8-4.45 V,0.1C)
技術圖表
-
充放電曲線圖
-
粒度分布圖
-
循環性能圖
-
-
LL6510
LL6510是一(yi)款4.35V高電(dian)壓三(san)元正(zheng)極(ji)材料(liao),采用(yong)碳酸鋰工(gong)藝。產(chan)品創(chuang)新性(xing)采用(yong)以(yi)鋰鹽原(yuan)材料(liao)價格波動(dong)(dong)(dong)為參考的工(gong)藝機動(dong)(dong)(dong)切換模(mo)式(shi),通(tong)過領先(xian)工(gong)藝和模(mo)式(shi)創(chuang)新疏解原(yuan)材料(liao)市場價格波動(dong)(dong)(dong)風險。 LL6510循環(huan)(huan)壽(shou)命長、能量密(mi)度高、安全性(xing)強(qiang)(qiang)、高電(dian)壓、熱穩定性(xing)強(qiang)(qiang)、性(xing)價比高、環(huan)(huan)境友(you)好,已被廣泛(fan)應用(yong)于動(dong)(dong)(dong)力交(jiao)通(tong)領域,是制作(zuo)新能源汽(qi)車電(dian)池的重要材料(liao)。
-
循環壽命長
-
能量密度高
-
安全性強
-
高電壓
-
熱穩定性強
-
性價比高
-
10000 x
-
3.40-4.10
D50(μm)
-
0.83-1.12
BET(m2/g)
-
37.65-40.80
Ni(wt%)
-
3.80-4.60
Co(wt%)
-
14.8-16.4
Mn(wt%)
-
188.0-193.0
首(shou)次放電比(bi)容量(mAh/g)(2.8-4.35 V,0.1C)
技術圖表
-
充放電圖
-
粒度圖
-
循環性能圖
-
-
LL8203
LL8203是第二代8系(xi)多晶(jing)材(cai)料,采用二燒工藝,并創新(xin)性(xing)(xing)使用超(chao)長(chang)窯(yao)爐工藝,推動(dong)超(chao)長(chang)窯(yao)爐技術實現行業突破(po),引領行業生產工藝創新(xin)性(xing)(xing)變(bian)革(ge)。 LL8203是一(yi)款具有超(chao)高能量(liang)密度、超(chao)高循環(huan)穩(wen)定性(xing)(xing)的正(zheng)極材(cai)料,安全性(xing)(xing)符合各(ge)項標(biao)準,目(mu)前主要應用于長(chang)續航新(xin)能源汽車交通動(dong)力領域,供(gong)應CATL等高端電池廠商。
-
超高能量密度
-
超高循環穩定性
-
安全性強
-
10000 x
-
9.00-10.50
D50( μm)
-
0.35-0.65
BET(m2/g)
-
47.90-49.50
Ni (wt%)
-
6.60-7.40
Co (wt%)
-
2.95-3.58
Mn(wt%)
-
206.0-211.0
首(shou)次放電比容量(liang)(mAh/g)(2.8-4.25V,0.1C)
技術圖表
-
-
LL8313
LL8313是一(yi)款極(ji)致性(xing)價比三元正(zheng)極(ji)材料(liao)。通過對(dui)材料(liao)中鈷含(han)量的精密(mi)(mi)控制和降(jiang)低,極(ji)大(da)程度(du)(du)減少(shao)了材料(liao)生產成本,為客戶(hu)成本控制持續賦能(neng)。 LL8313是一(yi)款具有超(chao)高(gao)能(neng)量密(mi)(mi)度(du)(du)、壓實(shi)密(mi)(mi)度(du)(du)和循環穩定性(xing)的正(zheng)極(ji)材料(liao),安全性(xing)符合標準(zhun)。目(mu)前主要應用于(yu)長續航新能(neng)源汽車交通動力領域(yu)。
-
極致性價比
-
超高能量密度
-
超高壓實密度
-
超高循環穩定性
-
10000 x
-
9.05-11.70
D50( μm)
-
0.37-0.67
BET(m2/g)
-
48.1-50.50
Ni (wt%)
-
3.15-3.95
Co (wt%)
-
5.40-6.30
Mn(wt%)
-
205.3-209.8
首次放(fang)電(dian)比(bi)容(rong)量(mAh/g)(2.8-4.25V,0.1C)
技術圖表
-
充放電圖
-
粒度圖
-
循環圖
-
-
LL9203
LL9203是一款超高(gao)鎳多(duo)晶三元正(zheng)極材料產品。歷經(jing)多(duo)年研發(fa),擁有超高(gao)能(neng)(neng)量(liang)(liang)(liang)密(mi)度(du)(du),高(gao)溫循環(huan)超1200周(zhou)。 本產品通過包覆和回火手段精(jing)準(zhun)控制(zhi)表面殘堿(jian)同(tong)時形成穩定界面,實現高(gao)容量(liang)(liang)(liang)的同(tong)時保證(zheng)了循環(huan)、存儲(chu)和產氣性能(neng)(neng)。更通過粒度(du)(du)分(fen)布(bu)優化,在8系基(ji)礎上進一步提升材料壓(ya)實密(mi)度(du)(du),產品質量(liang)(liang)(liang)能(neng)(neng)量(liang)(liang)(liang)密(mi)度(du)(du)和體(ti)積能(neng)(neng)量(liang)(liang)(liang)密(mi)度(du)(du)都有明顯提升。目前主(zhu)要用于高(gao)端或(huo)長續航新能(neng)(neng)源(yuan)車型(xing)中(zhong)。
-
超高能量密度
-
高溫循環超(chao)1200周
-
10000 x
-
9.0-11.0
D50(μm)
-
0.20-0.40
BET(m2/g)
-
53.0-54.3
Ni(wt%)
-
3.85-4.65
Co(wt%)
-
0.55-1.10
Mn(wt%)
-
≥227.0
首次(ci)放(fang)電比容量(mAh/g)(2.8-4.3V,0.1C)
技術圖表
-
充放電曲線圖
-
粒度圖
-
循環曲線圖
-
-
LL9403
LL9403是一(yi)款(kuan)超高鎳多晶(jing)三元正極材(cai)料。 通(tong)過高熵摻雜產(chan)生強釘(ding)扎效應優(you)化(hua)材(cai)料結(jie)構穩(wen)(wen)(wen)定(ding)性(xing)(xing),通(tong)過表(biao)面(mian)(mian)原位合成(cheng)高離子電(dian)(dian)導率電(dian)(dian)解質優(you)化(hua)材(cai)料界面(mian)(mian)穩(wen)(wen)(wen)定(ding)性(xing)(xing),通(tong)過低損傷水洗去(qu)除表(biao)面(mian)(mian)殘余鋰,保證材(cai)料結(jie)構不(bu)被(bei)破壞(huai)的(de)前提下進一(yi)步(bu)電(dian)(dian)芯安全性(xing)(xing)和界面(mian)(mian)穩(wen)(wen)(wen)定(ding)性(xing)(xing)。邦普循(xun)(xun)環(huan)創(chuang)新生產(chan)工藝,使得LL9403的(de)質量和體積能(neng)量密度以及產(chan)氣(qi)性(xing)(xing)能(neng)表(biao)現突出(chu)的(de)同(tong)時,循(xun)(xun)環(huan)、存儲性(xing)(xing)也(ye)能(neng)持(chi)續保持(chi)優(you)異(yi)。本產(chan)品目前主要用(yong)于高端(duan)或長續航新能(neng)源車型中。
-
能量密度優異
-
產氣性能突出
-
存儲性能優異
-
循環性能優異
-
10000 x
-
≥3.6
D50(μm)
-
0.40-0.65
BET(m2/g)
-
54.2-55.8
Ni(wt%)
-
3.0-3.5
Co(wt%)
-
0.4-0.8
Mn(wt%)
-
≥228.3
首次放電比(bi)容量(mAh/g)(2.8-4.3V,0.1C)
技術圖表
-
充放電曲線圖
-
粒度圖
-
循環曲線圖
-
-
HC4801
-
HC5001
-
HC4801
HC4801是邦普循環自主研發的(de)鈷酸鋰正極材料產品,具(ju)備高(gao)容量(liang)、高(gao)壓(ya)實密度的(de)典型(xing)特征,高(gao)能量(liang)密度、高(gao)電(dian)壓(ya)的(de)明顯優勢,現廣泛應(ying)用于3C領域。
-
高容量
-
高壓實密度
-
高能量密度
-
高電壓
-
1000 x
-
15.2~16.2
Dv50(μm)
-
0.17~0.22
BET(cm2/g)
-
58.5~59.5
Co(wt%)
-
≥200
充(chong)電(dian)比容量(mAh/g)(4.53V,0.1C)
-
≥188.5
放(fang)電比容量(mAh/g)(4.53V,0.1C)
技術圖表
-
充放電圖
-
粒度圖
-
-
HC5001
HC5001是邦普循環自主研(yan)發的(de)高(gao)壓(ya)(ya)鈷酸鋰正(zheng)極(ji)材料產(chan)品,具備(bei)高(gao)容量、高(gao)壓(ya)(ya)實密(mi)度的(de)典型特(te)征,高(gao)能(neng)量密(mi)度、高(gao)電壓(ya)(ya)等優勢明顯,可滿(man)足(zu)高(gao)能(neng)量密(mi)度需(xu)求,現廣泛應用于3C領域。
-
高容量
-
高壓實密度
-
高能量密度
-
高電壓
-
1000 x
-
15.5~16.5
Dv50(μm)
-
0.17~0.22
BET(cm2/g)
-
58.5~59.5
Co(wt%)
-
≥204
充電比容量(mAh/g)(4.55V,0.1C)
-
≥194.0
放電(dian)比容量(mAh/g)(4.55V,0.1C)
技術圖表
-
充放電圖
-
粒度圖
-
-
LL3503
-
LL3503
LL3503是一款富鋰高(gao)(gao)錳低鎳的(de)正(zheng)極(ji)材料產品(pin)。由邦普循環自(zi)前(qian)驅體端啟動自(zi)主研(yan)發,產品(pin)具備高(gao)(gao)容量(liang)、高(gao)(gao)壓(ya)密的(de)典型特征,以及高(gao)(gao)能(neng)量(liang)密度、高(gao)(gao)電壓(ya)、高(gao)(gao)性價(jia)比在內的(de)多(duo)維度優勢,可同時兼顧高(gao)(gao)續航里程和低成本的(de)需求,是正(zheng)極(ji)材料領域一款極(ji)具潛力的(de)產品(pin)。
-
高能量密度
-
高電壓
-
高性價比
-
10000 x
-
6~8
Dv50(μm)
-
<2
BET(m2/g)
-
58.5~59.5
Co(wt)%
-
≥230
放電(dian)比容量(0.1C)(mAh/g)
-
≥225
放電比(bi)容量(0.33C)(mAh/g)
技術圖表
-
充放電曲線圖
-
粒度分布圖
-

負極材料
-
鈉電負極
-
硅碳負極
-
SA0101
-
SA0101
SA0101是(shi)目前市場中(zhong)為數不(bu)多的可以同時實(shi)現高(gao)容量(liang)、高(gao)首效(xiao)的硬碳產(chan)品(pin)。邦(bang)普循環精準(zhun)調控(kong)產(chan)品(pin)孔道(dao)結構,實(shi)現高(gao)儲鈉容量(liang),產(chan)品(pin)同時還具(ju)備高(gao)首次庫倫效(xiao)率和低成本在(zai)內的諸多優勢,可滿足(zu)客戶(hu)對鈉離子電池(chi)負極材(cai)料(liao)成本與性能方(fang)面(mian)的多重需求。
-
高容量
-
高首效
-
低成本
-
2500 x
-
4~6
Dv50(μm)
-
<5
BET(m2/g)
-
>0.6
TD(g/cm3)
-
0.37-0.42
層間距(nm)
-
≥320
充電比容量(mAh/g)
技術圖表
-
電化學性能圖
-
粒度信息圖
-
-
SN0104
-
SN0104
SN0104歷經(jing)三年研發周期,最早應用(yong)于低硅動力電池項目。應用(yong)時在石墨中添加(jia)少量的本產(chan)品可以提高(gao)產(chan)品容量,并(bing)在循環性能方面實現2000次循環容量保留率達80%以上。
-
循環性能優異
-
20000 x
-
5000 x
-
1000 x
-
3.7~7.7
Dv50
-
0.70~1.70
BET
-
>0.0500
Mn(wt%)
-
>0.0300
Fe(wt%)
-
>0.0300
Cu(wt%)
-
>0.0300
Cr(wt%)
-
54.00~63.70
Si(wt%)
-
>56.0
首效(wt%)
-
1350.0~1625.0
首放 (wt%)
-
0.5 ~1.5
C(wt%)
技術圖表
-
電性能圖
-
硅碳負極粒度圖
-

前驅體
-
磷酸鐵
-
鎳鈷錳氫氧化物
-
FP0001
-
FP0002
-
FP0001
FP0001是一款磷酸(suan)鐵鋰正極材(cai)料(liao)用前驅(qu)體產(chan)品。在堿沉工(gong)藝(yi)的(de)基礎上,邦普循(xun)環對產(chan)品原料(liao)和工(gong)藝(yi)進(jin)行(xing)突破性(xing)改進(jin),使其具(ju)備高比(bi)表面積(ji)和低硫的(de)典(dian)型特(te)征。該產(chan)品高比(bi)表、低雜質含量、高振(zhen)實密(mi)度,可滿(man)足(zu)高壓實磷酸(suan)鐵鋰的(de)需求(qiu),可達到三代(dai)壓實并接近四(si)代(dai)壓實性(xing)能(neng)要(yao)求(qiu)。 FP0001已(yi)被廣泛應(ying)用于動力交通(tong)、電(dian)動工(gong)具(ju)、儲能(neng)、通(tong)信等領域,是制作磷酸(suan)鐵鋰正極材(cai)料(liao)的(de)重要(yao)原料(liao),正占據主流市場(chang)。
-
高比表
-
低雜質
-
高振實密度
-
50000 ×
-
5000 ×
-
7.6±1
BET(m2/g)
-
36.60±0.15
Fe含量( %)
-
20.80±0.15
P含量(%)
-
≤500
S含量(ppm)
-
0.975±0.005
Fe/P(摩爾比)
技術圖表
-
粒度分布圖
-
-
FP0002
FP0002是一款磷(lin)(lin)(lin)酸(suan)鐵(tie)鋰正(zheng)(zheng)極材(cai)料用前(qian)驅體產(chan)品。 邦普(pu)循環以廢磷(lin)(lin)(lin)酸(suan)鐵(tie)鋰粉提鋰后磷(lin)(lin)(lin)鐵(tie)渣為原料,制備電(dian)池級磷(lin)(lin)(lin)酸(suan)鐵(tie)。本產(chan)品具有工藝簡單、高振(zhen)實(shi)密度(du)、低成本等優(you)勢,可(ke)滿足高壓實(shi)磷(lin)(lin)(lin)酸(suan)鐵(tie)鋰的需求,達到二(er)代和(he)三代壓實(shi)性(xing)能要求。 當前(qian),該項產(chan)品被應用于動(dong)力交通、電(dian)動(dong)工具、儲能、通信等領域(yu),是制作磷(lin)(lin)(lin)酸(suan)鐵(tie)鋰正(zheng)(zheng)極材(cai)料的重要原料,目(mu)前(qian)正(zheng)(zheng)占據主流市場。
-
工藝簡單
-
高振實密度
-
低成本
-
1000 ×
-
2-6
BET(m2/g)
-
36.60±0.15
Fe含量(%)
-
20.80±0.15
P含量(%)
-
≤500
S含量(ppm)
-
0.975±0.005
Fe/P(摩爾比)
-
-
PH5003
-
PH5007
-
PH5503
-
PH6506
-
PH8302
-
PH8303
-
PH9203
-
PH9401
-
PH5003
PH5003是一(yi)款中(zhong)鎳(nie)三元正(zheng)極(ji)前(qian)驅體產品,鎳(nie)含量(liang)為50%。當前(qian)主要應用(yong)于數(shu)碼類或者小動(dong)力多晶的正(zheng)極(ji)材料領域。主含量(liang)摩爾比可定向(xiang)化(hua)設計。
-
定向化設計
-
10000 x
-
1000 x
-
10.0±1.0
D50(μm)
-
6.0±2.0
BET(m2/g)
-
50.0±0.5
Ni(mol%)
-
20.0±0.5
Co(mol%)
-
30.0±0.5
Mn(mol%)
技術圖表
-
-
PH5007
PH5007是一款中鎳(nie)小顆(ke)粒三元(yuan)正極前(qian)驅體產(chan)品,鎳(nie)含(han)量(liang)為50%。當前(qian)主要應用于數碼類(lei)或者動力單(dan)晶的正極材料領(ling)域。主含(han)量(liang)摩爾比可定向化設(she)計。
-
定向化設計
-
50000 x
-
10000 x
-
1000 x
-
3.9±0.5
D50(μm)
-
9.0±3.0
BET(m2/g)
-
50.0±0.5
Ni(mol%)
-
20.0±0.5
Co(mol%)
-
30.0±0.5
Mn(mol%)
技術圖表
-
粒度分布圖
-
-
PH5503
PH5503是(shi)一款中鎳小顆(ke)粒三元(yuan)正(zheng)極前驅體產品,鎳含量(liang)為55%。當前主(zhu)要應用于動力單晶(jing)類正(zheng)極材料領(ling)域。主(zhu)含量(liang)摩爾比(bi)可定向化(hua)設(she)計。
-
定向化設計
-
50000 x
-
10000 x
-
3.9±0.5
D50(μm)
-
9.0±3.0
BET(m2/g)
-
55.0±0.5
Ni(mol%)
-
12.0±0.5
Co(mol%)
-
33.0±0.5
Mn(mol%)
技術圖表
-
粒度分布圖
-
-
PH6506
PH6506是一款中鎳小(xiao)顆(ke)粒三(san)元正極前驅體產品,鎳含量為65%。當(dang)前主要應用于動(dong)力單晶類正極材(cai)料領域(yu)。主含量摩爾比可定向化設(she)計。
-
可定向化設計
-
50000 x
-
10000 x
-
1000 x
-
3.8±0.4
D50(μm)
-
9.0±2.0
BET(m2/g)
-
65.0±0.5
Ni(mol%)
-
7.0±0.5
Co(mol%)
-
28.0±0.5
Mn(mol%)
技術圖表
-
粒度分布圖
-
-
PH8302
PH8302是(shi)一款高(gao)鎳(nie)三元正極前驅體產品,鎳(nie)含(han)(han)量為(wei)83%,鈷含(han)(han)量為(wei)12%。具備循環壽(shou)命長、能量密度高(gao)、安全性強、成本低(di)等優勢,可滿足高(gao)續航高(gao)安全性低(di)成本的需求。主含(han)(han)量摩爾(er)比可定向化設計。
-
循環壽命長
-
能量密度高
-
安全性強
-
成本低
-
定向化設計
-
50000 x
-
10000 x
-
1000 x
-
10.0±1.0
D50(μm)
-
7.0±2.0
BET(m2/g)
-
83.0±0.5
Ni(mol%)
-
12.0±0.5
Co(mol%)
-
5.0±0.5
Mn(mol%)
技術圖表
-
-
PH8303
PH8303是一款(kuan)高(gao)鎳三元(yuan)正極(ji)前(qian)驅體產品,鎳含(han)(han)量為83%,鈷(gu)含(han)(han)量為12%。具備(bei)循環壽命長、能(neng)量密度高(gao)、安(an)全(quan)性高(gao)、成本(ben)低等優勢(shi),可(ke)滿足(zu)高(gao)續航高(gao)安(an)全(quan)性低成本(ben)的(de)需(xu)求。主(zhu)含(han)(han)量摩爾比可(ke)定向化(hua)設計。
-
循環壽命長
-
能量密度高
-
安全性高
-
成本低
-
定向化設計
-
50000 x
-
10000 x
-
1000 x
-
3.8±0.4
D50(μm)
-
15.0±2.0
BET(m2/g)
-
83.0±0.5
Ni(mol%)
-
12.0±0.5
Co(mol%)
-
5.0±0.5
Mn(mol%)
技術圖表
-
粒度分布圖
-
-
PH9203
PH9203是(shi)一(yi)款超高鎳三元正極前驅(qu)體產品(pin),鎳含量(liang)為92%。具備(bei)循環壽命長、能量(liang)密度高、安全性強、環境友好等(deng)優勢,可滿足高續航(hang)里程需(xu)求。本產品(pin)是(shi)材料領(ling)域極具潛力的一(yi)款產品(pin),已應(ying)用于高端電動(dong)汽(qi)車領(ling)域,是(shi)制作(zuo)長續航(hang)電動(dong)汽(qi)車電池的重要(yao)原料。主(zhu)含量(liang)摩爾比可定向(xiang)化設計。
-
循環壽命長
-
能量密度高
-
安全性強
-
環境友好
-
定向化設計
-
50000 x
-
10000 x
-
5000 x
-
1000 x
-
10.0±1.0
D50(μm)
-
8.0±2.0
BET(m2/g)
-
92.0±0.5
Ni(mol%)
-
5.0±0.5
Co(mol%)
-
3.0±0.5
Mn(mol%)
技術圖表
-
-
PH9401
PH9401是一款超高鎳小(xiao)顆粒(li)三元(yuan)正極前(qian)驅(qu)體(ti)產品,鎳含量為94%。目前(qian)主要(yao)應用于動力單晶類正極材料領域,主含量摩爾比可做定(ding)向化設計。
-
定向化設計
-
50000 x
-
10000 x
-
1000 x
-
3.6±0.4
D50(μm)
-
16.0±2.0
BET(m2/g)
-
94.0±0.5
Ni(mol%)
-
4.0±0.5
Co(mol%)
-
2.0±0.5
Mn(mol)
技術圖表
-
粒度分布圖
-

礦產品
-
鎳鐵
-
FeNi20
-
FeNi20
FeNi20是(shi)(shi)RKEF冶(ye)煉(lian)工藝直接產品。在(zai)RKEF冶(ye)煉(lian)工藝的(de)基礎上,邦普(pu)循環圍繞鎳鐵(tie)精煉(lian)脫雜、鎳鐵(tie)制(zhi)粉(fen)等方向進行創新(xin)性研發突(tu)破(po),持續提升鎳鐵(tie)粉(fen)浸出率。 本產品在(zai)制(zhi)備磷酸鐵(tie)鋰及三元(yuan)(yuan)材料(liao)方面具備性價比高、安全性強、應用范圍廣(guang)、品質優越、規模大(da)、成本低、環境友好等優勢。 當前,該項產品已被(bei)廣(guang)泛(fan)應用于不銹鋼(gang)、特鋼(gang)、耐熱鋼(gang)鑄件領(ling)(ling)域(yu),制(zhi)備鎳鐵(tie)粉(fen)可用于磁性材料(liao)、催化(hua)劑、電(dian)鍍等領(ling)(ling)域(yu),是(shi)(shi)制(zhi)作磷酸鐵(tie)鋰及三元(yuan)(yuan)前驅(qu)體的(de)重要(yao)原料(liao),占據制(zhi)備磷酸鐵(tie)、磷酸鐵(tie)鋰及三元(yuan)(yuan)材料(liao)領(ling)(ling)域(yu)主流(liu)市(shi)場。
-
性價比高
-
安全性強
-
應用范圍廣
-
品質優越
-
成本低
-
環境友好
-
產品
-
10000 ×
-
5000 ×
-
1000 ×
-
1430~1480
熔點(℃)
-
8.1~8.4
密度(g/cm3)
-
10~30
Ni(%)
-
1~3.6
C(%)
-
<0.2
Si(%)
-
<0.03
P(%)
-
0.2~0.5
S(%)
-

鋰鹽
-
碳酸鋰
-
氫氧化鋰
-
LC0101
-
LC0101
LC0101是電(dian)(dian)池(chi)回收(shou)轉化的鋰鹽產(chan)品,回收(shou)研發過程經歷(li)數年,制(zhi)備出(chu)的產(chan)品雜(za)質含量低(di)、應用范圍廣,極具市場(chang)優勢。產(chan)品廣泛(fan)應用于智能(neng)手機(ji)、筆記本(ben)電(dian)(dian)腦(nao)、電(dian)(dian)動汽車(che)等(deng)領域,是制(zhi)備鋰離子(zi)電(dian)(dian)池(chi)的重要原料。
-
雜質含量低
-
應用范圍廣
-
10000 x
-
5000 x
-
2500 x
-
≤0.25
水分(%)
-
≤0.50
灼失率(%)
-
≤200
磁性異物(ppb)
-
≥90.0
白度
-
4.1-6.6
D50(μm)
-
<0.03
P(%)
-
≥99.55
碳酸鋰主含量(%)
-
-
LH0102
-
LH0102
單水氫氧化(hua)鋰是(shi)(shi)電(dian)池回收的轉化(hua)另一款重(zhong)要鋰產(chan)(chan)品(pin),該產(chan)(chan)品(pin)是(shi)(shi)其它(ta)鋰鹽產(chan)(chan)品(pin)的主要原料,是(shi)(shi)制備三元正極材(cai)料的重(zhong)要原料。
-
應用范圍廣
-
30000 x
-
10000 x
-
5000 ×
-
≤75
磁性異物(ppb)
-
≤800
D50(um)
-
≥16.47-16.90
Li含量(%)
-